Martenero is a premium watch brand founded in 2014, offering original, contemporary designs at accessible price points. Their aesthetics revolve around creating unique designs that stem from the classics. With a strong respect for the heritage brands that have come before them, they’re driven to make their watches new classics in their own right. They call it ‘Tradition Refreshed’.
They’ve decided to reinvent the Belgrano dive watch for their latest project, which is live on Kickstarter now. With so many vintage divers flooding the market, they wanted to offer a fresh, modern, and colorful alternative. A dive watch that will stand out on your wrist, while still remaining casual. And so over the course of a year, the Bayshore design has come into being. The dive watch style that you’ll recognize, combined with Martenero’s own unique design philosophy. With all the specifications you’d expect from a sturdy, functional diver.
The Martenero Bayshore – Design and development

The Bayshore is a modern take on a classic concept of a dive watch. It’s a classic and refined design, but with enough originality to stand apart. Available in four different colors, each option is multi-colored and sure to get plenty of attention on your wrist. 200-meter water resistance, acrylic 120-click unidirectional bezel, and plenty of lume make this a highly functional diver. In the office or out on the water, the Bayshore can stand up to the elements.
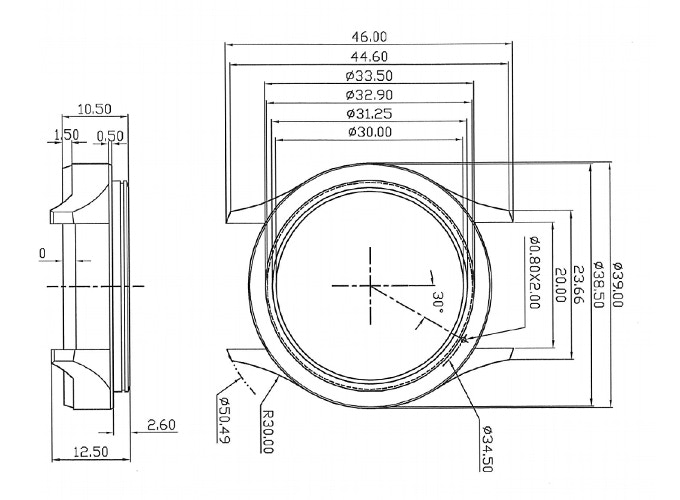
Martenero spent a year working with multiple suppliers to get every detail just right. Every measurement, every line, every color had to be just right in order to create the watch that they ultimately developed. Below are some of the renderings and technical drawings that had to be developed as part of this process.
The Martenero Bayshore models
White: The most restrained version of the four, the white version features a sunburst dial and multiple blues throughout the dial and bezel.
Red: The boldest and least traditional version, for those who want something that will really stand out on their wrist.
Dark Blue: The flagship version of the Belgrano, this colorway features a sunburst, mildly reflective dial.
Black: A traditional black dial paired with matching light blue on the bezel and second hand gives this version a subtle dash of color.
Construction
While the Bayshore has a very clean design, the construction behind it is surprisingly complex; The stainless steel case is custom designed and has complex brushed and polished finishing throughout, and the lugs are twisted and show off the different finishes.
The multi-layer dial has applied numerals and indices. This is a very high level of detail that’s normally associated with watches at a much higher price point, and it gives the Belgrano a very refined and finished look.
The watch is powered by a Seiko NH35 movement that registers at 21,600 beats per hour. This is a high-quality Japanese movement used by premium watch brands, and it’s similar in accuracy too much more expensive Swiss movements. It’s an automatic movement, so it will wind itself naturally as you wear it. It’s hacking, meaning that the second-hand stops when you set the time, allowing for a more accurate time setting. And with a power reserve of 41 hours, this is a watch you can set aside for a while and it will continue to tick away.

One of the most distinctive design elements of the watch is the multi-colored bezel that appears on all colorways. Made of acrylic, it’s a 120-click unidirectional bezel that you can easily adjust by hand.
The stainless steel bracelet is made from the same 316L steel which is used on the case. It’s a modern, flat link style bracelet, and it features a deployant clasp with the MARTENERO logo. To make the bracelet more comfortable on the wrist, it tapers from 20 mm at watch attachment to 16 mm at its narrowest point. In addition to comfort, this gives the watch a more modern, refined feel.
Specifications
Mechanics
- Movement: Seiko NH35
- Type: Mechanical (Automatic, Hacking)
- Beats Per Hour: 21,600
- Power Reserve: 41 Hours
- Jewels: 24
Case
- Material: 316L Stainless Steel
- Crystal: Sapphire
- Water Resistance: 200 meters
- Crown: Screw-Down
Dial
- Colors: White, Red, Dark Blue, Black
- Lume: C1 Superluminova
- Indices: Applied
- Finishing: Mild Sunburst/Semi-Gloss
Dimensions
- Diameter: 39 mm
- Lug To Lug: 46 mm
- Thickness: 14.5 mm
- Lug Width: 20 mm
Bracelet
- Material: 316L Stainless Steel
- Style: Flat Link
- Width: 20 mm, Tapering to 16 mm
If you like this watch, you have the opportunity to support their campaign on Kickstarter and secure your Bayshore dive watch!
*Sponsored Blog-Post







